波紋噪聲是衡量電源適配器質量好壞的一個重要指標,一個好的電源適配器必須要把輸出紋波噪聲控制在一個合理的范圍內。作為一名在Flypower 電源適配器廠家工作的電子工程師,今天就簡單和大家分享一下我們廠是如何有效的控制電源適配器的波紋輸出的。

在設計電源產品時,有5個方法可以降低電源輸出紋波噪聲。
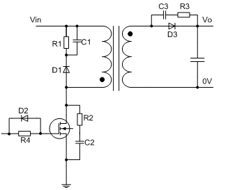
一、場效應管D級與輸入正之間加RCD。一般選擇場效應管的反向恢復時間要比二極管D1慢2~3倍,以避免形成直通電流,此電流會產生很強的磁場,可增大輸出噪聲干擾,所以可人為的通過柵極電阻R4來減慢開關管的開關速度。為了不影響關斷速度可以在柵極電阻并聯一個二極管D2如圖1所示。

二、電源PCB走線和布局。反饋線路應避開磁性元件、開關管及功率二極管。輸出濾波電容放置及走線對紋波噪聲至關重要,如圖2所示,傳統設計中由于到達每個電容的阻抗不一樣,所以高頻電流在三個電容中分配不均勻,改進設計中可以看出每個回路長度相當即高頻電流會均勻分配到每個電容中。
三、輸出加二級LC濾波。LC對噪聲和紋波抑制效果比較明顯,根據紋波頻率選擇合適電感電容值,但由于柱形電感價格低體積小的優點,所以一般LC中電感大都會選擇柱形電感,然而柱形電感是開放式磁結構,對周圍會產生較嚴重磁干擾,我們可以采用兩個電感并排放置,且電流流入方向相反,即有助于引導磁通從一個磁柱到另一個磁柱,從而可以降低電磁干擾,如圖3所示

四、降低變壓器漏感。采用三明治繞法可使初次級繞組耦合更加緊密,使漏感得以減小,從而到達減小噪聲的目的。
五、輸出二極管兩端并聯RC。二極管在高速導通和關斷時,反向恢復期間,二極管的寄生電感和電容會產生高頻振蕩,為了抑制高頻振蕩可在二極管兩端加RC緩沖電路如圖2所示,電阻R3一般在1Ω~100Ω,電容C3一般在100pF~1nF,如果電源工作頻率較低,效率滿足要求的話,二極管D3可以選擇反向恢復時間較慢的二極管。
通過這些設計,就可以有效的把電源適配器的輸出波紋噪聲控制在合理的范圍之內,做為一個有15年生產經驗的電源生產廠家,Flypower有著非常成熟的電源研發生產經驗。更多的電源知識可以關注我們的官網。